Call us: +31 072-8200249
OFFICIAL DISTRIBUTOR HABONIMBENELUX Distributor DK-LOKFlexible HosesPressure MeasurementSGS Union CouplingStainless Steel Components

We keep your stock in our One-Stop-Shop!

No requested items

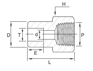
Female Connector - GCFSW

Tube socket weld to female NPT


Article Description - Size Material Quantity  
GCFSW 2T-2N-S Female Connector - 1/8'' to 1/8'' NPT
GCFSW 4T-2N-S Female Connector - 1/4'' to 1/8'' NPT
GCFSW 4T-4N-S Female Connector - 1/4'' to 1/4'' NPT
GCFSW 6T-4N-S Female Connector - 3/8'' to 1/4'' NPT
GCFSW 8T-6N-S Female Connector - 1/2'' to 3/8'' NPT
GCFSW 8T-8N-S Female Connector - 1/2'' to 1/2'' NPT
GCFSW10T-8N-S Female Connector - 5/8'' to 1/2'' NPT
GCFSW12T-12N-S Female Connector - 3/4'' to 3/4'' NPT
Design & webdevelopment www.webvanced.nl SGS BV 2026